14,90 € *
Menge: 1
m
Grundpreis: 1 m = 14,90 € *
Grundpreis: 1 m = 14,90 € *
inkl. MwSt. zzgl. Versandkosten
Lagerware
Abholung nach 48 Stunden möglich
Lieferzeit innerhalb NRW: 5-15 Werktage
Lieferzeit restliche BRD: 15-30 Werktage
- Hersteller: Sonstige
- Artikel-Nr.: H-14936.2
- Gewicht: 0,920 Kg
Das Randprofil Classic dienst zur seitlichen Befestigung von Dacheindeckungen aus Stegplatten... mehr
Produktinformationen "Randprofil mit Schrauben, Dichtungen und Untergummi für 16 mm Platten"
Das Randprofil Classic dienst zur seitlichen Befestigung von Dacheindeckungen aus Stegplatten oder Glas. Zum Lieferumfang des Randprofil Classic gehören Dichtlippen, ein Auflagegummi welches auf den Sparren aufgebracht wird, sowie Schrauben aus Edelstahl für die Befestigung auf einer Holzunterkonstruktion. Alternativ erhalten sie auf Wunsch selbstschneidende Schrauben für die Befestigung auf einer Konstruktion aus Stahl oder Aluminium (Bitte die Art der Unterkonstruktion im Auswahlfeld, unterhalb der Längenauswahl, angeben).
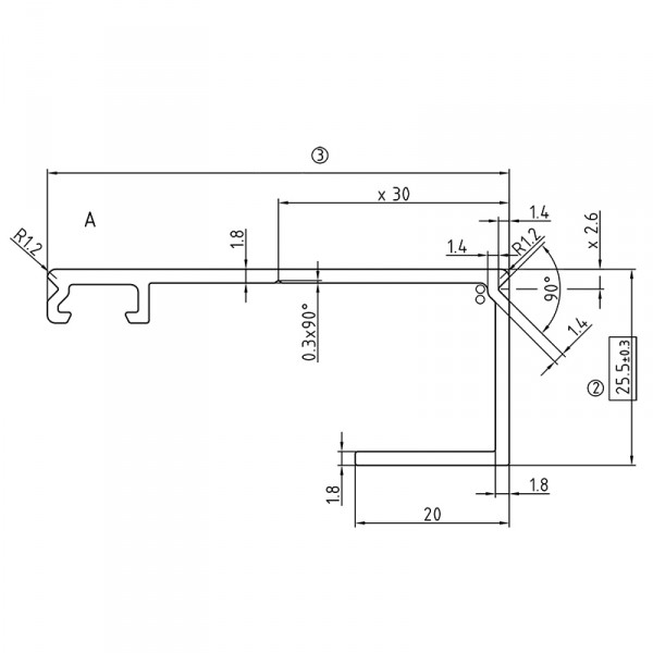
Unsere Randprofile Classic besitzen auf der Innenseite eine Bohrnut, damit Sie diese vor Ort mit einem 8 mm Bohrer, im Abstand von ca. 30 cm, vorbohren können. In Kombination mit unseren Verbindungsprofilen Classic erhalten Sie so ein langlebiges, hervorragend abdichtendes Verlegesystem für Dacheindeckungen aus Stegplatten oder Glas. Eine zusätzliche, optische Aufwertung können Sie durch die Verwendung unserer Klemmdeckel erzielen. Das Randprofil Classic ist in der Zeichnung mit der Nr. 12 gekennzeichnet.
Unsere Randprofile Classic besitzen auf der Innenseite eine Bohrnut, damit Sie diese vor Ort mit einem 8 mm Bohrer, im Abstand von ca. 30 cm, vorbohren können. In Kombination mit unseren Verbindungsprofilen Classic erhalten Sie so ein langlebiges, hervorragend abdichtendes Verlegesystem für Dacheindeckungen aus Stegplatten oder Glas. Eine zusätzliche, optische Aufwertung können Sie durch die Verwendung unserer Klemmdeckel erzielen. Das Randprofil Classic ist in der Zeichnung mit der Nr. 12 gekennzeichnet.

In dem nachfolgenden Video zeigen wir Ihnen anhand von Stegplatten die Fachgerechte Verlegung unserer Profile. Mit unseren Verlegeprofilen können Sie nicht nur Stegplatten, sondern auch Glas verlegen.
Weiterführende Links zu "Randprofil mit Schrauben, Dichtungen und Untergummi für 16 mm Platten"
Eigenschaften "Randprofil mit Schrauben, Dichtungen und Untergummi für 16 mm Platten"
| Gesamtbreite: | 60 mm |
| Gesamthöhe: | 26 mm |
| Wandstärke: | 1,8 mm |
| Gewicht: | 567 g/m |
| Aufnahme: | für 16 mm Platten |
| Profilfarbe: | Aluminium blank |
Bewertungen lesen, schreiben und diskutieren... mehr
Kundenbewertungen für "Randprofil mit Schrauben, Dichtungen und Untergummi für 16 mm Platten"
Bewertung schreiben
Bewertungen werden nach Überprüfung freigeschaltet.

