Grundpreis: 1 m = 12,80 € *
inkl. MwSt. zzgl. Versandkosten
Lagerware
Abholung nach 48 Stunden möglich
Lieferzeit innerhalb NRW: 5-15 Werktage
Lieferzeit restliche BRD: 15-30 Werktage
- Hersteller: Sonstige
- Artikel-Nr.: H-15844.2
- Gewicht: 0,640 Kg
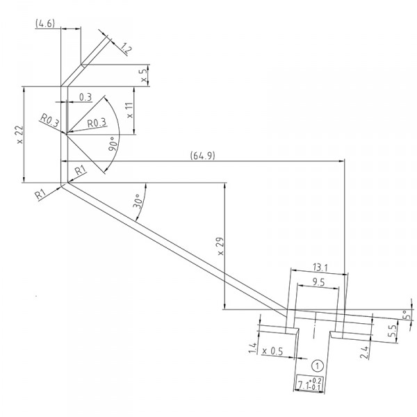
Der Wandanschluß dient zur Abdichtung zwischen dem Terrassendach und der Hauswand. Der Wandanschluß wird an die Hauswand geschraubt und anschließend in der Hohlkehle mit Silikon abgedichtet. Die EPDM Dichtung wird anschließend rechts und links von den Befestigungsprofilen eingeschnitten, so dass die Dichtung auf den Stegplatten aufliegt. Am dem Befestigungssteg befindet sich eine Bohnut, welche ein „weglaufen“ des Bohrers verhindert. Der Wandanschluß überbrückt eine Strecke von ca. 60mm von der Hauswand bis zur Überdachung. Das Wandanschlußprofil ist in der Zeichnung mit der Nr. 10 gekennzeichnet.

| Gesamtbreite: | 65 mm |
| Gesamthöhe: | 63 mm |
| Wandstärke: | 1,6 mm |
| Gewicht: | 490 g/m |
| Aufnahme: | für 6 mm Platten, für 8 mm Platten, für 10 mm Platten, für 16 mm Platten, für 25 mm Platten, für 32 mm Platten |
| Profilfarbe: | Aluminium blank, weiß pulverbeschichtet RAL 9016, braun pulverbeschichtet RAL 8077, silber pulverbeschichtet RAL 9006, anthrazit pulverbeschichtet RAL 7016 |

