Grundpreis: 1 m = 3,06 € *
inkl. MwSt. zzgl. Versandkosten
Lagerware
Abholung nach 48 Stunden möglich
Lieferzeit innerhalb NRW: 5-15 Werktage
Lieferzeit restliche BRD: 15-30 Werktage
- Hersteller: Sonstige
- Artikel-Nr.: H-15843.2
- Gewicht: 0,150 Kg
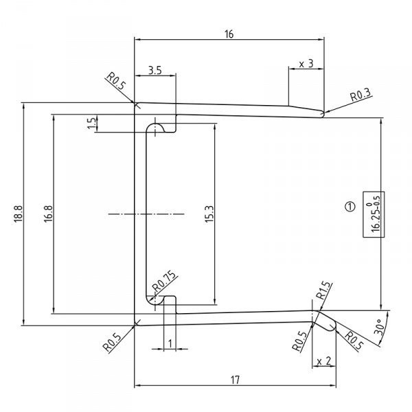
U-Profil aus stranggepreßten Aluminium ohne Abtropfkante, das zum Verschließen an den Stirnseiten der Stegplatten verwendet wird. Verschließen Sie zunächst die Stirnseite der Stegplatte mit einem Anti Dust Tape, und stecken Sie dann das U-Profil darüber, um ein Ablösen des Anti Dust Tapes zu verhindern. Ihre Stegplatten bleiben dadurch dauerhaft optisch ansprechend, da weder Schmutz noch Ungeziefer in die Kammern der Platte eindringen können. Zusätzlich wird durch das U-Profil die Stabilität der Stegplatte erhöht. Das U-Profil ist in der Zeichnung mit der Nr. 8 gekennzeichnet.

| Gesamtbreite: | 18 mm |
| Gesamthöhe: | 19 mm |
| Wandstärke: | 1,0 mm |
| Gewicht: | 152 g/m |
| Aufnahme: | für 16 mm Platten |
| Profilfarbe: | Aluminium blank, weiß pulverbeschichtet RAL 9016, braun pulverbeschichtet RAL 8077, silber pulverbeschichtet RAL 9006, anthrazit pulverbeschichtet RAL 7016 |

